+7 (912)-751-33-24Заказать звонок
Заказать звонок

Оставьте Ваше сообщение и контактные данные и наши специалисты свяжутся с Вами в ближайшее рабочее время для решения Вашего вопроса.

Ваш телефон
Ваш телефон*
Ваше имя
Ваше имя

* - Поля, обязательные для заполнения

Сообщение отправлено
Ваше сообщение успешно отправлено. В ближайшее время с Вами свяжется наш специалист
Закрыть окно
arbatex@list.ru
Каталог товаров
Подписка на новости магазина

Подпишитесь на рассылку и получайте свежие новости и акции нашего магазина.

Описание товара:

Диоды 3А610А настроечные, арсенидогаллиевые, мезаэпитаксиальные, с барьером Шоттки.
Предназначены для применения в устройствах перестройки частоты или фазы в СВЧ-диапазоне.
65 руб. / шт Цена не является конечной и требует уточнения у менеджера.
В наличииВ наличии
Загрузка
Рассчитываем стоимость доставки
Пожалуйста подождите, рассчет займет немного времени

Описание товара

Описание


Диоды 3А610А настроечные, арсенидогаллиевые, мезаэпитаксиальные, с барьером Шоттки.
Предназначены для применения в устройствах перестройки частоты или фазы в СВЧ-диапазоне. 
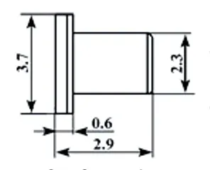
Выпускаются в металлокерамическом корпусе типа КД-104 с жесткими выводами. 
Тип диода приводится на групповой таре. 

Параметры и характеристики


Масса диода не более 0,1 г.

Пример записи условного обозначения при заказе и в конструкторской документации:
диод СВЧ 3А610А, aa0.336.021 ТУ;
диод СВЧ АА610А, aa0.339.006 ТУ.

• Iпр макс, А - Максимальный прямой ток<br>
• Uобр и макс, В - Максимальное импульсное обратное напряжение<br>
• Iпр и макс, А - Максимальный импульсный прямой ток<br>
• Uпр макс, В - Постоянное прямое напряжение<br>
• fд макс, кГц - Максимальная рабочая частота<br>
• Сд, пФ - Общая ёмкость<br>
• Ioбp, мкА - Постоянный обратный ток<br>
• Uoбp макс, В - Максимальное постоянное обратное напряжение<br>
• tвoc обр, мкс - Время обратного восстановления<br>
• Ioбp и макс, мА - Импульсный обратный ток<br>
• Pрас, мВт - Непрерывная рассеиваемая мощность<br>
• Мин наработка, ч - Минимальная наработка<br>
• Тип диода - Тип СВЧ диода<br>
• Pрас и, Вт - Импульсная рассеиваемая мощность<br>
Добавить отзыв
Ваша оценка:
Отправить отзыв

Похожие товары (8)

65 руб. / шт Цена не является конечной и требует уточнения у менеджера.
В наличииВ наличии
3А610А диод
Задать вопрос

Ваше имя*
Контактный телефон*
E-mail
Вопрос*

* - Поля, обязательные для заполнения

Сообщение отправлено
Ваше сообщение успешно отправлено. В ближайшее время с Вами свяжется наш специалист
Закрыть окно
Купить в один клик
Заполните данные для заказа
Запросить стоимость товара
Заполните данные для запроса цены
Запросить цену Запросить цену