+7 (912)-751-33-24Заказать звонок
Заказать звонок

Оставьте Ваше сообщение и контактные данные и наши специалисты свяжутся с Вами в ближайшее рабочее время для решения Вашего вопроса.

Ваш телефон
Ваш телефон*
Ваше имя
Ваше имя

* - Поля, обязательные для заполнения

Сообщение отправлено
Ваше сообщение успешно отправлено. В ближайшее время с Вами свяжется наш специалист
Закрыть окно
arbatex@list.ru
Каталог товаров
Подписка на новости магазина

Подпишитесь на рассылку и получайте свежие новости и акции нашего магазина.

Описание товара:

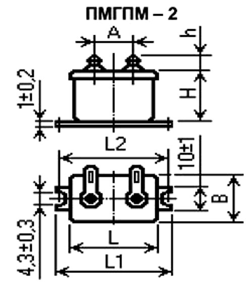
ПМГПМ-2 200В 1 мкф конденсатор полиэтилентерефталатный металлизированный герметизированный постоянной ѐмкости, предназначенные для работы в цепях постоянного и пульсирующего токов. относится к разделу пассивных электронных компонентов.
2 руб. / шт Цена не является конечной и требует уточнения у менеджера.
В наличииВ наличии
Загрузка
Рассчитываем стоимость доставки
Пожалуйста подождите, рассчет займет немного времени

Описание товара

Описание конденсатора ПМГПМ-2 1 мкф 200 в


ПМГПМ-2 200В 1 мкф конденсатор полиэтилентерефталатный металлизированный герметизированный постоянной ѐмкости, предназначенные для работы в цепях постоянного и пульсирующего токов.  относится к разделу пассивных электронных компонентов.

Параметры и характеристики конденсатора ПМГПМ-2 1 мкф 200 в:


ПМГПМ-2 1 мкф 200 в
Конденсаторы ПМГПМ-2 пленочные полиэтилентерефталатные.
Предназначены для работы в цепях постоянного и пульсирующего токов.
Могут применяться взамен МБГО, МБГЦ, МБМ, КМБГ.
Конструкция: в стальных прямоугольных корпусах, герметизированных пайкой, с лепестковыми выводами.
Климатическое исполнение: УХЛ 5.1 и В 2.1.
Технические условия: АДПК.673633.005 ТУ

Основные характеристики конденсаторов ПМГПМ-2:
Номинальная ёмкость: 0,24 ... 30 мкФ.
Номинальное напряжение: 160; 200; 250 В.
Допустимые отклонения ёмкости: ±5%; ±10%; ±20%
Тангенс угла потерь: не более 0,015.
Интервал рабочих температур: -60 ... +60 С°.
Минимальная наработка: 10000 ч.
Добавить отзыв
Ваша оценка:
Отправить отзыв

Похожие товары (8)

2 руб. / шт Цена не является конечной и требует уточнения у менеджера.
В наличииВ наличии
ПМГПМ-2 200в 1 мкф
Задать вопрос

Ваше имя*
Контактный телефон*
E-mail
Вопрос*

* - Поля, обязательные для заполнения

Сообщение отправлено
Ваше сообщение успешно отправлено. В ближайшее время с Вами свяжется наш специалист
Закрыть окно
Купить в один клик
Заполните данные для заказа
Запросить стоимость товара
Заполните данные для запроса цены
Запросить цену Запросить цену