+7 (912)-751-33-24Заказать звонок
Заказать звонок

Оставьте Ваше сообщение и контактные данные и наши специалисты свяжутся с Вами в ближайшее рабочее время для решения Вашего вопроса.

Ваш телефон
Ваш телефон*
Ваше имя
Ваше имя

* - Поля, обязательные для заполнения

Сообщение отправлено
Ваше сообщение успешно отправлено. В ближайшее время с Вами свяжется наш специалист
Закрыть окно
arbatex@list.ru
Каталог товаров
Подписка на новости магазина

Подпишитесь на рассылку и получайте свежие новости и акции нашего магазина.

Описание товара:

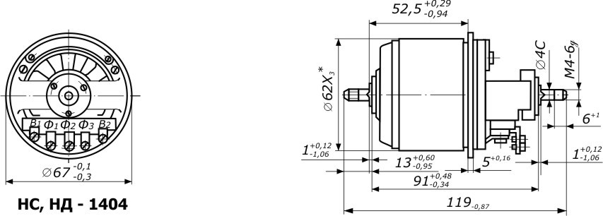
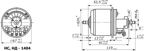
Контактные сельсины НС-1404 выполнены в соответствии с асинхронными электродвигателями с ротором небольшой мощности. Статор сельсина НС-1404 не явнополюсной, обмотки— распределенные.
Характеристики:
Напряжение, В
110±5,5
4 500 руб. / шт Цена не является конечной и требует уточнения у менеджера.
В наличииВ наличии
Загрузка
Рассчитываем стоимость доставки
Пожалуйста подождите, рассчет займет немного времени

Описание товара

Описание сельсина НС-1404:


Контактные сельсины НС-1404 выполнены в соответствии с асинхронными электродвигателями с ротором небольшой мощности. Статор сельсина НС-1404 не явнополюсной, обмотки— распределенные. НС-1404 относится к группе контактных сельсинов (работают со скользящими контактами). Такой принцип работы уменьшает срок службы этих сельсинов. Сельсин НЭД-1404 работает от напряжения 110В.
При подаче напряжения на контактный сельсин, происходит вращение вала. Эти сельсины имеют три обмотки синхронизации и одинаковую обмотку возбуждения.
Контактные сельсины НС-1404 имеют также меньший вес, в отличии от безконтактных сельсинов, так как у них меньшие воздушные зазоры. Место расположение обмоток на сельсинах НЭД-1404 не влияет на их принцип работы, однако самым распространенным является расположение обмотки на роторе.
Обмотка возбуждения находится на роторе, подключение тока осуществляется через пару контактных колец. Основным недостатком контактных сельсинов НС1404 являются контактные кольца, что обеспечивает более низкую надежность.

ХАРАКТЕРИСТИКИ КОНТАКТНОГО СЕЛЬСИНА НС-1404:


Режим работы - индикаторный;
Назначение - приемник;
Частота - 50Гц;
Напряжение возбуждения - 110В;
Ток возбуждения холостого хода - 0,28А;
Потребляемая мощность - не более 8,0Вт;
Номинальное вторичное напряжение холостого хода - 50В;
Погрешность следования - ±45угл.мин, ±90угл.мин;
Время успокоения ротора - 3с;
Удельный синхронизирующий момент - 10Гсм/град;
Момент трения с возбуждением - 14Гсм;
Скорость вращения - не более 500об/мин;
Наружный диаметр - 62мм;
Длина с выходными концами вала - 119мм;
Масса - 0,8кг.
Класс 1


Вар-ты поиска:
НС-1404, НС*1404, НС1404

Характеристики

Прочие
Напряжение, В 110±5,5
Добавить отзыв
Ваша оценка:
Отправить отзыв

Похожие товары (8)

4 500 руб. / шт Цена не является конечной и требует уточнения у менеджера.
В наличииВ наличии
НС-1404 сельсин
Задать вопрос

Ваше имя*
Контактный телефон*
E-mail
Вопрос*

* - Поля, обязательные для заполнения

Сообщение отправлено
Ваше сообщение успешно отправлено. В ближайшее время с Вами свяжется наш специалист
Закрыть окно
Купить в один клик
Заполните данные для заказа
Запросить стоимость товара
Заполните данные для запроса цены
Запросить цену Запросить цену