+7 (912)-751-33-24Заказать звонок
Заказать звонок

Оставьте Ваше сообщение и контактные данные и наши специалисты свяжутся с Вами в ближайшее рабочее время для решения Вашего вопроса.

Ваш телефон
Ваш телефон*
Ваше имя
Ваше имя

* - Поля, обязательные для заполнения

Сообщение отправлено
Ваше сообщение успешно отправлено. В ближайшее время с Вами свяжется наш специалист
Закрыть окно
arbatex@list.ru
Каталог товаров
Подписка на новости магазина

Подпишитесь на рассылку и получайте свежие новости и акции нашего магазина.

Описание товара:

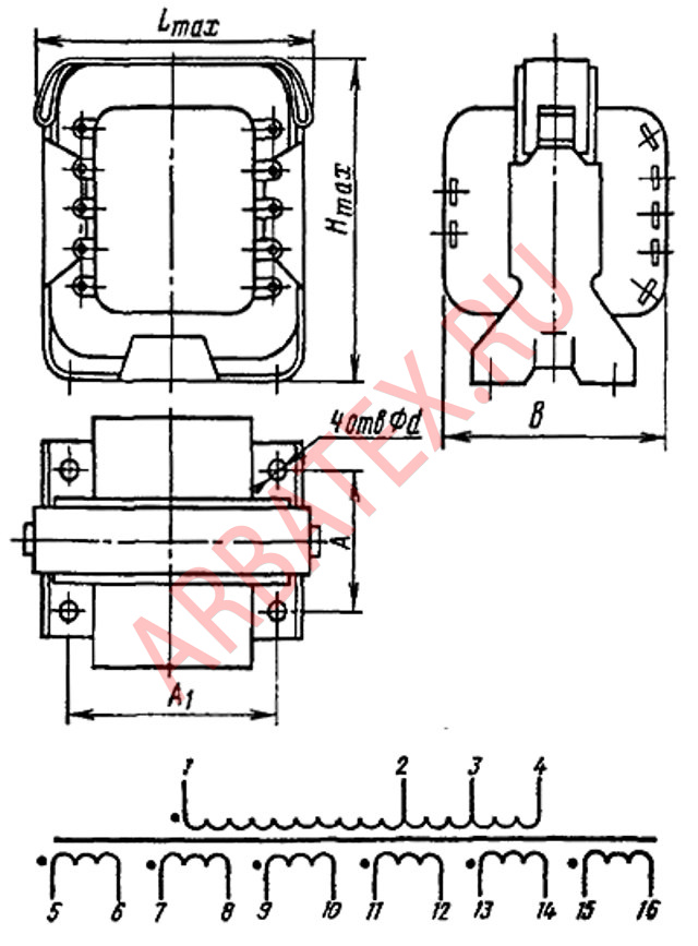
Трансформатор ТА1-40-400 осуществляет преобразование переменного напряжения и/или гальваническую развязку в самых различных областях применения - электроэнергетике, электронике и радиотехнике.
737.10 руб. / шт Цена не является конечной и требует уточнения у менеджера.
В наличииВ наличии
Загрузка
Рассчитываем стоимость доставки
Пожалуйста подождите, рассчет займет немного времени

Описание товара

Описание


Трансформатор ТА1-40-400 — это статическое электромагнитное устройство, имеющее две или более индуктивно связанные обмотки на каком-либо магнитопроводе и предназначенное для преобразования посредством электромагнитной индукции одной или нескольких систем (напряжений) переменного тока в одну или несколько других систем (напряжений), без изменения частоты.

Трансформатор ТА1-40-400 осуществляет преобразование переменного напряжения и/или гальваническую развязку в самых различных областях применения — электроэнергетике, электронике и радиотехнике.

Параметры и характеристики:


Трансформаторы анодные малогабаритные ТА1-40-400 предназначены для работы в электрических источниках питания радиоэлектронной аппаратуры,
изготавливаемой на электровакуумных и полупроводниковых приборах при напряжениях сети 40 В частотой 400 Гц.
Изготавливают на стержневых и броневых магнитопроводах унифицированной конструкции, мощностью от 7,5 до 357 В*А с выходным напряжением 6...355 В на токи нагрузки 0,02...2,8 А.
Последовательным или  параллельным соединением обмоток обеспечивают различные сочетания токов и напряжений.
Изготавливаются во всеклиматическом исполнении и для эксплуатации в районах с умеренно-холодным климатом по ГОСТ В 20.39.404-81.
Технические условия: ОЮ0.471.000 ТУ.

Основные технические характеристики трансформаторов типа ТА с частотой сети питания 400 Гц:
• Номинальная мощность ...... от 7,5 до 357 В*А;
• Напряжение питания сети ...... 40 В;
• Выходные напряжения ...... от 6 до 355 В;
• Токи вторичных обмоток в номинальном режиме ...... от 0,02 до 2,8 А;
• Коэффициент полезного действия ...... 70-85 %;
• Температура окружающей среды ...... -60...+85 °С;
• Относительная влажность воздуха при температуре +40 °С ...... 98 %;
• Минимальная наработка ...... 10000 часов;
• Срок сохраняемости ...... 12 лет;
• Габаритные размеры ...... от 30х29х30 до 92х82х88 мм;
• Масса ...... от 35 до 2000 г.
Добавить отзыв
Ваша оценка:
Отправить отзыв

Похожие товары (8)

737.10 руб. / шт Цена не является конечной и требует уточнения у менеджера.
В наличииВ наличии
ТА1-40-400 трансформатор
Задать вопрос

Ваше имя*
Контактный телефон*
E-mail
Вопрос*

* - Поля, обязательные для заполнения

Сообщение отправлено
Ваше сообщение успешно отправлено. В ближайшее время с Вами свяжется наш специалист
Закрыть окно
Купить в один клик
Заполните данные для заказа
Запросить стоимость товара
Заполните данные для запроса цены
Запросить цену Запросить цену